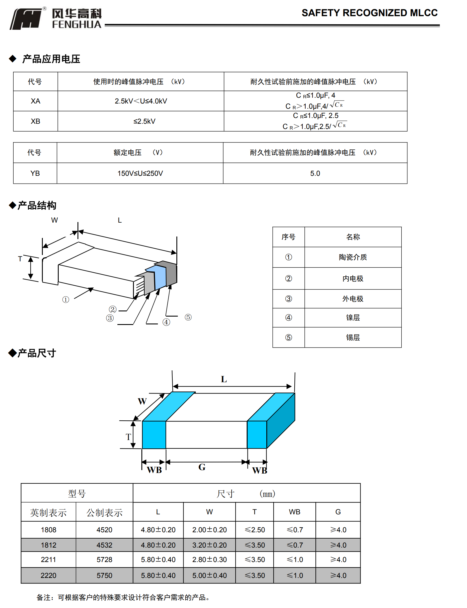
■ 安全规格认证多层片式陶瓷电容器

◆ 特征
* 新型独石结构,体积小,电容量高,能在高压下工作
* 符合 60384-14 标准。
* 仅用于回流焊接
* 它们实用于薄型设备。
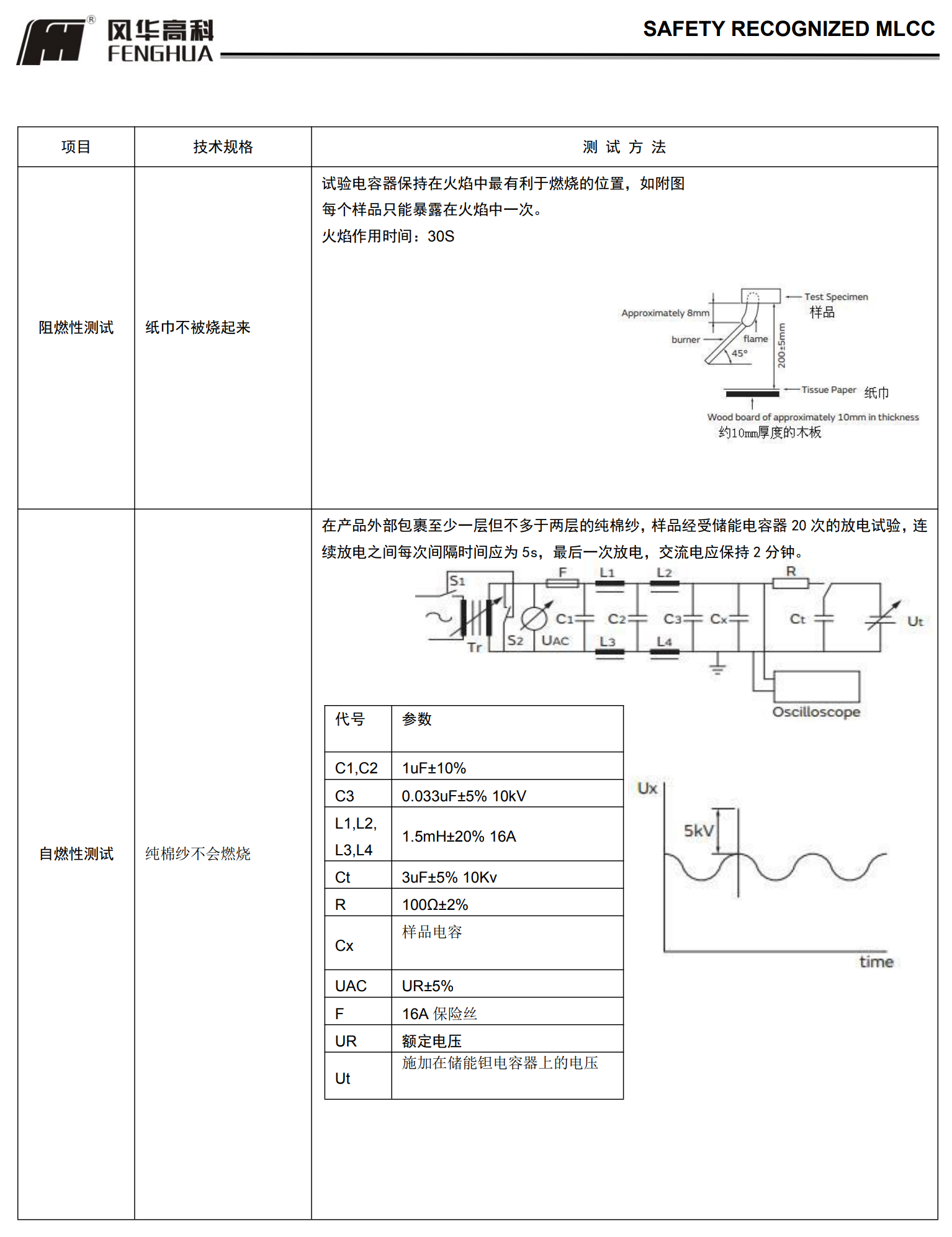
◆ 应用
* 适合于无变压器的 DAA 调制调解器线路滤波器及耦合用
* 适合信息设备线路滤波器用。








东莞市超翔电子有限公司
地址:广东省东莞市长安镇上沙北横街8号
联系人:何先生
电话:0769-85325266
手机:13712101206
■ 安全规格认证多层片式陶瓷电容器◆ 特征* 新型独石结构,体积小,电容量高,能在高压下工作* 符合 60384-14 标准。* 仅用于回流焊接* 它们实用于薄型设备。◆ 应用* 适合于无变压器的 DAA 调制调解器线路滤波器及耦合用* 适合信息设备线路滤波器用。
■ 安全规格认证多层片式陶瓷电容器

◆ 特征
* 新型独石结构,体积小,电容量高,能在高压下工作
* 符合 60384-14 标准。
* 仅用于回流焊接
* 它们实用于薄型设备。
◆ 应用
* 适合于无变压器的 DAA 调制调解器线路滤波器及耦合用
* 适合信息设备线路滤波器用。







