产品中心 | 联系我们 您好,欢迎访问东莞市超翔电子有限公司官方网站,我们将竭诚为您服务!
风华高科授权代理商 一站式电子元器件整合供应商
全国咨询热线:0769-85325266
您的位置: 首页>产品中心>风华电容>MLCC
MLCC

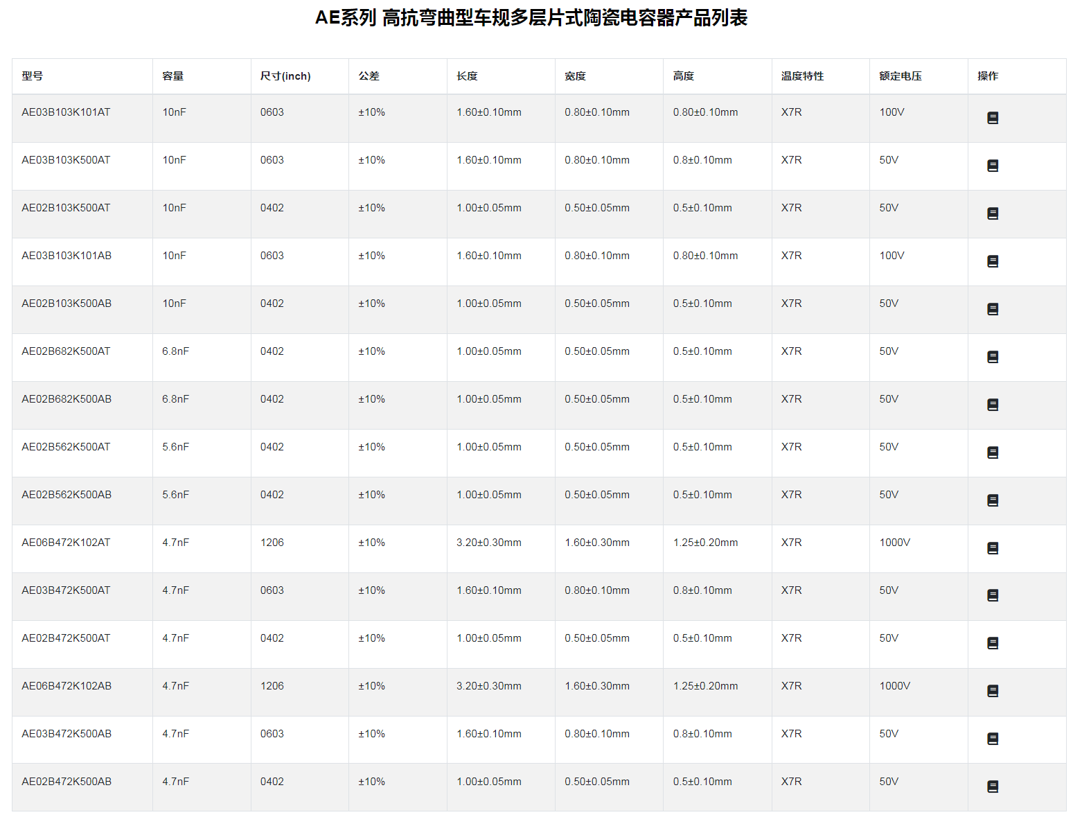
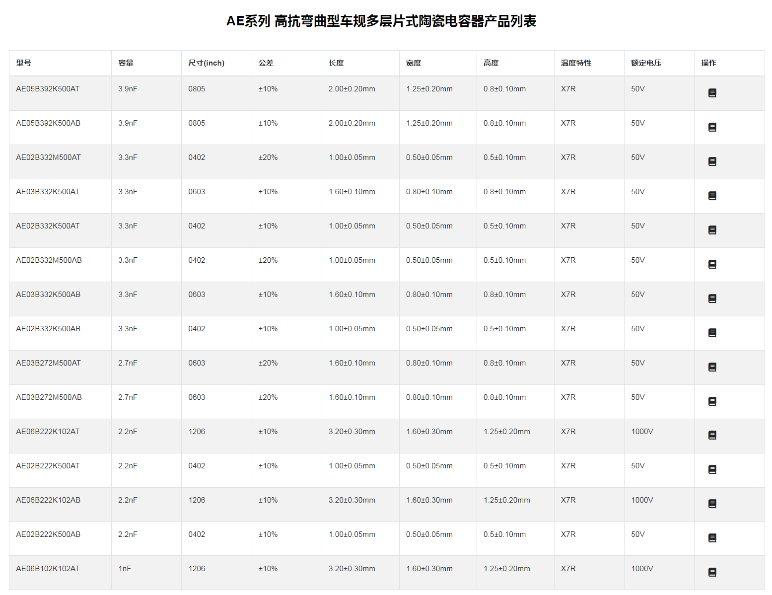
AE系列 高抗弯曲型车规多层片式陶瓷电容器

■ AE系列 高抗弯曲型车规多层片式陶瓷电容器◆ 特征* 叠层独石结构,具有高可靠性能* 具有优良的焊接与耐焊性能,适用于回流焊接与波峰焊接* 具有较高的容量且容量性能稳定* 此类电容器为汽车专用电子元器件,已通过AEC-Q200标准设定的所有实验条件,在汽车使用过程中更具稳定性、安全性* 材料使用主要有温度稳定性能较高的

在线咨询全国热线
0769-85325266
产品描述

■ AE系列 高抗弯曲型车规多层片式陶瓷电容器

AS系列 安规规格认定型车规多层片式陶瓷电容.png

◆ 特征

* 叠层独石结构,具有高可靠性能

* 具有优良的焊接与耐焊性能,适用于回流焊接与波峰焊接

* 具有较高的容量且容量性能稳定

* 此类电容器为汽车专用电子元器件,已通过AEC-Q200标准设定的所有实验条件,

在汽车使用过程中更具稳定性、安全性

* 材料使用主要有温度稳定性能较高的 C0G 以及高介电常数的 X7R、X5R、X7S、X7T

* 执行标准:GB/T 21041-2007 GB/T 21042-2007 AEC-Q200


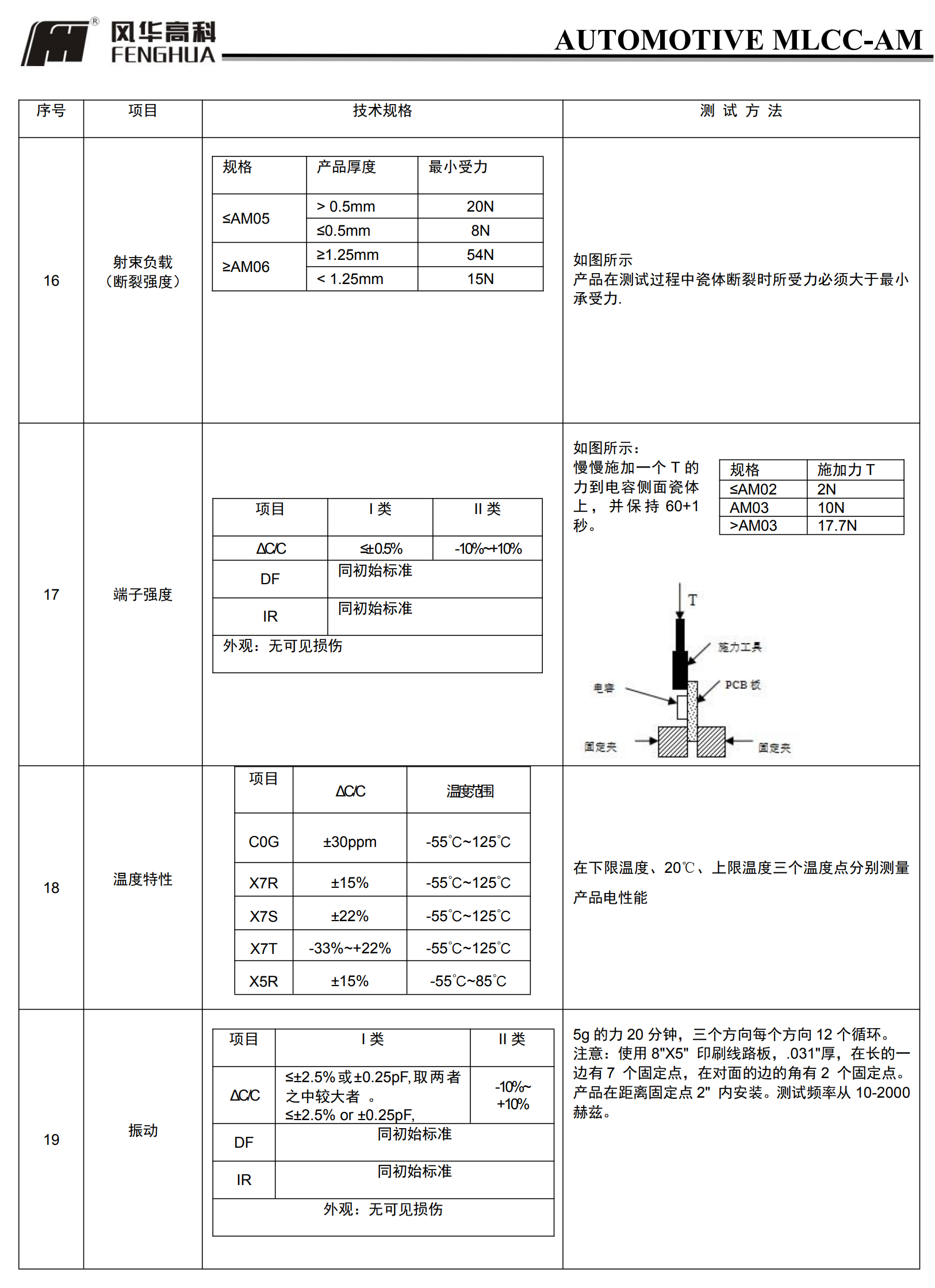
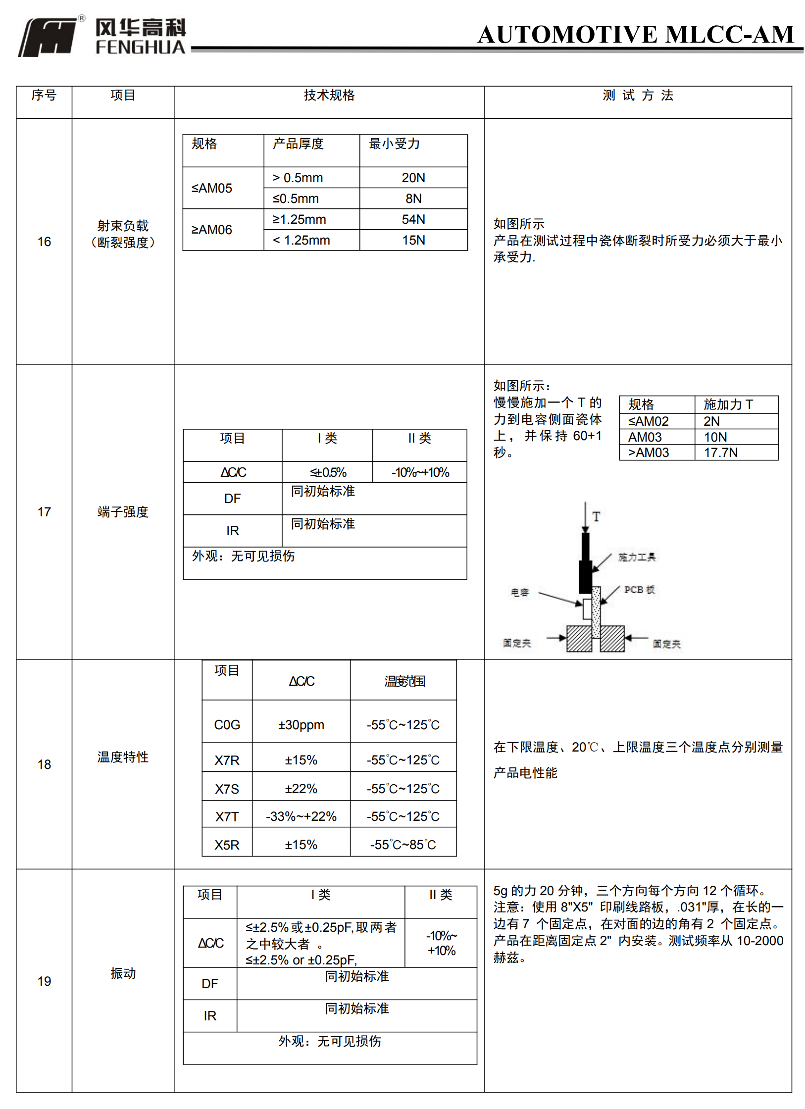
此类电容器为汽车专用电子元器件,已通过AEC-Q200标准设定的所有实验条件,在汽车使用过程中更具稳定性、安全性。车规电容器包括五个系列:AM(适用于引擎ECU等的驱动系统控制、安全气囊、ABS等的安全控制装置)、AE(采用树脂端头工艺,更有效有效抑制板间弯曲产生的应力裂纹,适用于车载电源控制、电池线等易弯曲模块、动力传输模块)、AU(用于车内信息、多媒体、导航、装饰等通用的舒适娱乐模块)、AS(适用于电池充电器、变频器、DC-DC转换器等)和AP(开路模式产品设计,可以避免开裂导致的瞬间短路烧毁。适用于汽车电池线、动力传输模块)。


在线客服
联系方式

热线电话

0769-85325266

上班时间

周一到周六

手机号码

13712101206

微信二维码
线